Description
To Clear: SDTS-50 stainless steel slides manufactured from 304L stainless steel.
Limited quantities: Length 550mm (quantity: 2 off)
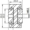
This is an extreme load/duty full extension telescopic slide (190Kg-380Kg/pair) suitable for a wide range of applications. At 550mm 1 pair has a full extension load capacity of 370Kg. Constructed from milled stainless steel sections, with machined ball tracks for accuracy, it has excellent levels of shock and vibration resistance. Accordingly the product is well suited to supporting generators and heavy machine guards, even with an over extension of 120%. The beams and ball bearings are grade 304L. End stops and cages are grade 304 stainless for corrosion protection.
All datasheet dimensions correspond to the 316L version. Sold as single slides
Download Datasheet












Reviews
There are no reviews yet.